Members can download this article in PDF format.
Electronic systems in industrial, automotive, and personal-computing applications are becoming increasingly dense and interconnected. To improve the functionality of these systems, diverse circuits are packed in close proximity. These circuits using radio-frequency (RF) chipsets, microprocessors, voltage regulators, and integrated-circuit (IC) chips all emit electromagnetic radiation.
Electromagnetic interference (EMI) is electrical noise that’s uncontained and propagated over a wide range of frequencies. It can be generated by sparking on motor brushes, machines (like welding equipment), power-circuit switches, activation of inductive and resistive loads, and more.
Also contributing to the EMI problem is the increase in switching speeds in switch-mode power supplies (SMPS). These higher frequencies raise efficiency and shrink filtering capacitors and inductors to reduce power-supply size and cost. However, they worsen the EMI problem due to fast edge rates on switching nodes and additional ringing along switching edges wrought by parasitic inductances in the power loop. With faster and faster rise and fall times (dV/dt) for voltage and current waveforms, these fast edges produce significant energy manifested as EMI.
As long as voltages and currents are being switched, EMI will be generated and thus must be addressed. Without proper mitigation, excessive input- or output-voltage ripple can compromise operation of the source, load, or adjacent system.
Sponsored Resources:
- Introduction to EMI: Standards, causes and mitigation techniques
 - How to reduce EMI and shrink power supply size with an integrated active EMI filter
 - How integrated capacitors reduce EMI
 
Types of EMI Coupling
EMI propagates through conduction over signal, power, and ground connections; by parasitic inductances or capacitances; and through radiation in free space. Conducted EMI can be further classified as either common- or differential-mode noise. Radiated EMI is transmitted wirelessly via magnetic energy and as such can affect nearby devices (Fig. 1).
Radiated EMI consists of both electric and magnetic fields transmitted over a distance. It is high frequency in nature and can extend from several hundred megahertz into the gigahertz range.
EMI Standards
EMI can no longer be an afterthought, given its potential to cause significant setbacks late in the design phase that cost both time and money. But beyond that, all products must generally meet some type of EMI performance metric, whether established in the product’s design specifications or to comply with regulatory requirements.
Rules designed to limit interference are established in industry-standard specifications such as Comité International Spécial des Perturbations Radioélectriques (CISPR) 25 for the automotive industry and CISPR 32 for multimedia equipment. You can learn more about EMI standards, causes and mitigation techniques in this technical article that includes considerations for systems.
Conventional and Advanced Techniques to Mitigate EMI
Increased power density, faster switching, and higher current is forcing designers to spend more time considering the effects of EMI. Common EMI control techniques include:
Layout optimization and component selection
The tradeoff among different types of regulators and power supplies can have a major effect on compliance with electromagnetic interference. Every signal and power trace on a PCB should be considered a transmission line. To prevent EMC compliance from posing a problem at product level, every level of the system—from the design of the ground structure, to the selection of ICs and capacitors, to PCB layout—must be considered.
Simple snubber circuits (a simple RC filter from the switch node to GND)
This technique does result in increased losses, negatively impacting efficiency. Since a high percentage of the EMI is generated by the fast rise and fall times, reducing the slew rate of the gate turn-on is a good way to lower emissions while maintaining an acceptable efficiency decrease.
Spread-spectrum frequency modulation
Spread spectrum is an attractive technique, given its ease of implementation and the fact that you can use it with other EMI reduction methods. Spread spectrum is generally more effective at low-EMI frequencies. The EMI signal fundamentals and harmonics are reduced, but performance diminishes with lower switching frequencies.
A good rule of thumb in working with any high frequencies is to keep all component leads and PCB traces short. Determine the hot loop (high di/dt loop) in the power-supply circuit and reduce its impact by shortening the wires in the hot loop.
You can remove the traditional wirebond method of connecting the die to the package pins. In the package, copper pillars are added and the silicon is flipped, further minimizing the area of hot loops by shortening the distance from the internal FET to the package pin and the input capacitors.
All of the above contingencies come with drawbacks. There’s an inherent power density and efficiency tradeoff to achieve lower EMI solutions.
Passive and Active Filtering
Passive filtering employs inductors and capacitors. An EMI filter looks like a much higher resistance to higher frequency signals. Passive filtering creates an impedance mismatch in the EMI current path. Passive filters, however, tend to be bulky and can occupy a significant portion of the total volume of the power solution. This is at odds with the need to increase the power density of low-EMI designs.
In contrast, active filtering employs an analog circuit to sense the voltage at the input bus and produces a current of opposite phase that directly cancels the EMI current generated by a switching stage. An active EMI filter minimizes low-frequency conducted emissions and can reduce passive EMI filter size by 50% (Fig. 2).
Integrated Capacitors Can Reduce EMI
Integrating your capacitors frees up board space. These integrated capacitors are placed inside the package of the buck IC. This same integration also reduces parasitic loop inductance, ringing, and high-frequency EMI. Other added benefits include reduced slew rate and the potential elimination of external high-frequency capacitors entirely.
The EMI training series video “Reducing high-frequency EMI with integrated capacitors” gives a side-by-side comparison of the same test board and bill of materials to demonstrate how ICs like the TI LMQ61460-Q1 buck converter can reduce EMI filter size. Watch the video to find more added benefits, such as reduced slew-rate control and the potential elimination of external high-frequency capacitors entirely.
EMI Reduction Solutions
Texas Instruments offers multiple features and technologies to mitigate EMI in all of frequency bands of interest. For example, TI offers its regulator ICs in a HotRod package that eliminates the standard bond wires from chip to package pin. The inductance of these short wires causes ringing in the power loop. The HotRod technique flips the chip and attaches it directly to the leadframe. This arrangement reduces EMI by facilitating more effective connections to dc-dc converter input capacitors.
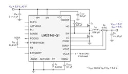
In addition, TI developed dc-dc buck controllers with an integrated active EMI filter. By integrating active EMI filtering into the LM25149-Q1 (Fig. 3) and LM25149, buck controllers can detect noise or ripple voltage at the device’s input. They then feed a signal that’s out of phase with this noise to cancel it out, thus achieving an improvement in EMI performance.
TI’s EMI-optimized power-management devices ensures that designs using its components will pass EMI requirements without sacrificing power density or efficiency. Its devices and technologies can help designers not only improve filter size and cost, but also reduce design time and complexity.
To help in the design a more efficient power supply that meets EMI requirements, TI offers a comprehensive training series that delves into the fundamentals of EMI and then goes deeper into specific IC and package innovations, and design tips regarding external component selection and layout. It concludes with application-specific EMI topics.
Sponsored Resources:



