The Benefits of High-Power-Density SiC MOSFETs
This article is part of the Power Management Series: Delving Into Power Density
Members can download this article in PDF format.
What you'll learn:
- Advantages of SiC MOSFETs over other power transistors.
- The key role SiC can play in delivering fast EV charging.
- SiC offers multiple benefits from the silicon counterparts in 800-V charging architecture.
The power industry is ever being challenged to provide higher power density and efficiency while lowering costs of the power supply. Industry initiatives and global regulations are the impetus to this effort with such initiatives as Energy Star, EU Stand-by initiative, 80 Plus Platinum, and the Little Box Challenge.
The SiC Power Transistor
Silicon carbide (SiC) has a breakdown voltage of 300 kV/mmB, 10 times greater than silicon. The thermal conductivity of SiC is about three times better than that of silicon as well—SiC devices enable operation at temperatures above 175°C. Packages designed for silicon aren’t adequate for SiC devices, thus they have their own unique packaging.
SiC MOSFETs offer decided advantages over other power transistors:
- A large reduction in the specified on-resistance (RDS(on))for applications over 900 V, which allows for a higher current density per device and a reduction in size and weight of the device.
- A smaller variation of on-resistance over temperature, which allows the design of equipment to work at a higher temperature. If the temperature increases 100°C in the component (25 to 125°C), the RDS(on) increases, too: silicon by a factor of 2 and SiC by a factor of 1.5.
- A large reduction of internal capacitance in a SiC device.
- SiC power devices have a very small reverse capacitance (Cgd).
- SiC power transistors have an extremely high switching speed.
Power designers need expertise in SiC transistor design for their circuitry because these semiconductors enable much higher switching speeds than MOSFETs. This is because of parasitic elements that increasingly require greater consideration during the design process. The SiC MOSFET driver method also is more complex and requires a high degree of expertise by the designer. The following sections will help new designers with basic SiC design architectures.
SiC Gate Driver
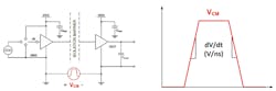
The SiC power switch is only as good as the gate driver, which boosts the efficiency of the SiC power design with powerful drive currents, high common-mode transient immunity (CMTI), along with short propagation delays (see figure). The definition of CMTI is the maximum tolerable rate of rise or fall of the common-mode voltage applied between two isolated circuits in units of kV/us or V/ns.
CMTI is a key parameter in a gate driver when operating at high switching frequencies—at more than two times the dv/dt and more than five times the di/dt—during turning on or off transients, as compared to conventional MOSFETs or IGBTs. CMTI is critical for nearly all gate drivers that handle differential voltage between two separate ground references, such as in isolated gate drivers.
Capacitive isolation technology in a SiC gate driver allows for the highest industry lifetime at greater than 1.5 kVRMS for more than 40 years!
SiC Devices in Fast EV Charging
The electric-vehicle (EV) market is rapidly ramping up, as can be seen with the vast increase in the amount of EVs on the road today. Charging these EVs can be challenging for power designers. Choosing a SiC power transistor design enables fast, high-voltage charging, which is preferred by EV owners. SiC power technology exhibits a high breakdown field strength, a low on-state resistance, and low off-state leakage current. We will look at the latest fast-charging trends as well as vehicle-to-grid (V2G) applications employing SiC power devices.
Recently, we’ve seen significant increases in battery capacity and improvement of battery-management technology. The newest electric vehicles can reach a cruising range of about 200 miles, and it’s estimated that 300 miles is quickly becoming the norm. Models on the market already have cruising ranges that exceed 400-500 miles. Still, the problem of “range anxiety” needs to be addressed.
If we seriously want to promote the sustainable growth of the electric-vehicle market, a charging infrastructure with shorter charging times is demanded by EV users. Charging levels such as 80% of the battery capacity must be met within 12 to 15 minutes. This demand can safely achieve the higher power output required by such fast chargers by charging at a higher voltage.
Designing a charger with high voltage leads to a lower current. This will reduce power loss in charging cables as well as reduce battery overheating. Weight and space in the vehicle also can be shrunk down because smaller cables use less copper. Another advantage is that smaller cable sizes will lower cost for these cables and the associated connectors.
Vehicle-to-Grid
EV chargers also need to support vehicle-to-grid (V2G) technology. It will enable powerful energy-storage systems (ESS) in road vehicles and help alleviate load peaks on the power grid.
How do we meet this challenge? One example involves large industrial and commercial energy users, who pay a penalty for both peak power needed along with a high average power factor. By deploying a bidirectional dc fast charger, which is able to switch from charging employee EVs to feeding the enterprise premises or grid during peak loads, is a very compelling economic case.
SiC to the Rescue with an 800-V Architecture
SiC is the prime technology that makes possible the move to high-voltage fast chargers. SiC devices offer several advantages over their silicon counterparts in such an architecture:
- A ten times higher breakdown field enables high blocking voltages in a smaller die area than silicon. Modern SiC devices support MOSFET blocking up to 1700 V; silicon superjunction MOSFETs are usually limited to lower than 900 V.
- SiC devices offer lower on-state resistance and lower off-state leakage currents than silicon, thus allowing for higher efficiency.
- Very low or no reverse-recovery current as well as the ability to switch at three to five times higher system frequencies, reducing the size and weight of capacitors and magnetics.
- A three times higher thermal conductivity and the ability to withstand higher chip temperatures reduces cooling requirements. This leads to smaller or no heatsinks in many cases.
Summary
This article has presented the advantages of SiC devices over silicon devices, especially in the area of power density. We have emphasized the tools and general understanding of SiC power devices for power designers. It’s clear that SiC power transistors are far superior to silicon devices in so many areas of importance, especially in power density.
Gate drivers and fast EV chargers also were outlined for the designer, especially in EV charging and V2G applications. Finally, an optimum 800-V architecture for fast vehicle chargers was discussed for the modern EV.
Read more articles in the Power Management Series: Delving Into Power Density
References
- Applying SiC and GaN to high-frequency power, Texas Instruments
- A Deep Dive of Isolated Gate Driver Robustness – dv/dt (CMTI), Texas Instruments, APEC 2018

