How to Predict and Suppress Electromagnetic Interference
What you’ll learn:
- Steps in the physical simulation process in efforts to mitigate EMI.
- How a one-stage EMI filter can help suppress EMI.
Electronic equipment will typically have some immunity to electromagnetic interference (EMI). However, distortion of information from intentional or unintentional electromagnetic forces may also occur, particularly near computing equipment (CE). To mitigate EMI and ensure noise immunity, one must take action during the early stages of the development of CE.
Quite frequently, within an electromagnetic environment that’s close to CE objects that have large geometric dimensions, there may be power lines, an aircraft fuselage, a car body, metal structures in a building, lightning discharge, and more. To predict the noise immunity of CE elements, it may be possible to use physical simulation of EMI.
One of the seldom studied tasks within the framework of noise immunity and information protection in CE is the intentional electromagnetic effect through the elements of a building’s metal structure.1 Also potentially impacted by intentional electromagnetic effects are power lines, contact networks, aircraft fuselages, etc.
Physical Simulation of EMI
There will be difficulties with the creation of EMI simulators on a real physical scale. It will also be difficult to obtain reproducible results due to the ambiguity of the studied object’s configuration.
>>Download the PDF of this article, and check out the TechXchange for similar articles and videos
We can solve this problem by using a technique based on physical simulation. These are the steps:
1. Designers will be able to determine all the important initial data of the object of study. These parameters will affect the formation of the electromagnetic environment as well as EMI. A building structure, with dimensions of 10.8 × 10.8 × 14.4 m, will be used as an example. The walls have a reinforcing mesh with reinforced concrete (Fig. 1).
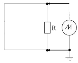
A pulsed current source has been connected in parallel between the supply and return pipelines of the water heating system. The “receiver” of the EMI inside the building is the CE communication line that’s in the form of a loop antenna with a diameter of 100 mm, which has a load of R = 50 Ω (Fig. 2).
2. Figure 3 shows the potential parameters of an intentional pulsed current source of short duration. For civil buildings that have a small floor, a test for the impact of a pulsed current of short duration was provided:
- Current amplitude 1.25 kA
- Current duration 200 μs
So, we will select the primary scale factors for the physical simulation.
3. Then we select a mathematical model for calculating EMI. We calculate the secondary scale factors for the physical simulation. To calculate the magnetic field strength H(t) at a distance r, the following expressions were used:
H'’(t') = I'(t')/4πr' = (1/6I(t))/4πr(1/12)) ,
H(t) = H'’(t') / 2, kH = 2
To simulate EMI in the CE communication line, the following expression was used:1
U'(t) = μ0πkl2ra2(kH/kt)(dH(t)/dt ) = 6U’ (12t’)
4. The values for the scale parameters of the current of an intentional source are calculated (Fig. 4).
5. Designers are in the process of developing a research stand for the physical simulation of EMI, in the CE communication line, under the influence of the magnetic field from an intentional current source. An IGM 4.1 generator was used as a simulator of a short pulse current. A LeCroy WR104MXi digital oscilloscope was used as a measuring instrument.
6. Figure 5 shows the measured EMI in the communication line of a scale model building (at the measuring point closest to the connection point of the intentional current generator).
7. Figure 6 shows the result of physical modeling of EMI in the communication line of a real CE inside a building.
The One-Stage EMI filter
This type of filter is made up of a common-mode choke (CMC), Cy and Cx capacitors (Fig. 7).
The preferred design is to use a more precise circuit—it separately takes into account that the CMC behave differently in common and differential mode, which is described with separated common and differential blocks (Fig. 8).
Users may obtain parameter values via a recursive analytical characterization process that’s based on a scattering parameter (S-parameter) measurement, in which the CMC was measured in a self-styled open-circuit (OC) configuration.
EMI Effects in Wireless Healthcare Equipment and Environments
Standard electromagnetic compatibility (EMC) tests will provide guidance for evaluating the electromagnetic immunity of electrical/electronic equipment. But it may not be enough to ensure that highly reliable and safety-critical equipment will be able to operate as intended throughout an entire expected lifetime.6 For example, Health Care Equipment (HCE) certified under the current International Electrotechnical Commission (IEC) 60601 standard must be able to withstand 10 V/m fields.
However, more powerful fields are being observed in healthcare settings. This suggests that ome aspects still may need to be addressed for improvement within these standards to effectively prevent EMI.
Frequently, in quite a few medical scenarios, avoiding interference sources close to sensitive equipment is a challenge. This is a situation that’s not been satisfactorily addressed by current standards.
Nonetheless, the best EMI standards assume that just one disturbance will simultaneously appear. Within real-world settings, though, electronic devices may simultaneously face multiple electromagnetic disturbances within its immediate operating environment.
To assess the immunity of an electronic device in such scenarios, critical reliability and safety issues must be addressed. Electronic devices, within healthcare settings, must be resilient to increasing EMI disturbances.
Radio-frequency identification (RFID) may well interfere with nearby critical medical equipment. Designers must highlight the importance of identifying sources of RF disturbances before deploying such systems. In addition, the EMI effect will likely be affected by wireless transmitters and reflecting materials that are close to critical medical devices. This requires careful and meticulous consideration of the shielding materials.
Summary
Predicting and suppressing EMI is no easy task. Designers, especially within therapeutic medical and hospital scenarios, modeled a three-dimensional environment containing medical devices, patients, and both intentional and unintentional sources. Such methods will help manage and predict electromagnetic compatibility in healthcare, ensuring medical equipment reliability and safety.
References
1. “Prediction of Noise Immunity of Computing Equipment under the Influence of Electromagnetic Interference through the Metal Structures of Building by Physical Modeling,” Zinnur M. Gizatullin, Rifnur M. Gizatullin, Marat G. Nuriev, Kazan National Research Technical University named after A.N. Tupolev-KAI, 2020 IEEE.
2. “High frequency measurement and simulation of electromagnetic interference filters,” Balint Pinter, Arnold Bingler, Department of Broadband Info Communications and Electromagnetic Theory, Faculty of Electrical Engineering and Informatics, Budapest University of Technology and Economics; Mark Csornyei, Powertrain Solution–Power Electronics, Robert Bosch Kft., 2023 International Symposium on Electromagnetic Compatibility—EMC Europe, 2023 IEEE.
3. “Coupling Model Research of Electromagnetic Pulse Interference Generated by Pulsed Radiation on Vacuum Compton Detector Response,” Yicheng Yi, Yi Wang, Cui Meng, Senior Member, IEEE, Kaixiang Yang, Zhaohui Song, Xingyin Guan, Dong Li, Yi Lu, Yang Ye, Hetong Han, and Shuai Hao, IEEE Transactions on Nuclear Science, Vol. 71, No. 9, September 2024.
4. “Research on Matrix Description of Electromagnetic Interference Between Cables,” Yutong Wu, Systems Engineering Research Institute, Beijing, China; Xiuming Xu, College of Information & Communication Engineering, Harbin Engineering University, Harbin, China; Xiuming Xu, College of Information & Communication Engineering, Harbin Engineering University, Harbin, China; 2021 IEEE 9th International Conference on Computer Science and Network Technology (ICCSNT).
5. “An Equivalent Transmission Line Model for Predicting the Electromagnetic Interference Suppression Characteristics of Ferrite Cores,” Mahesh Chaluvadi, K George Thomas, EMC Division, SAMEER-Centre for Electromagnetics, Chennai, India, IEEE 2018.
6. “Analyzing Electromagnetic Interference Effects in Wireless Healthcare Equipment and Environments,” Prashanth Domakonda, Geon George Bastian, Marco A. Azpurua, Mireya Fernandez-Chimeno, Ferran Silva, Electromagnetic Compatibility Group, Universitat Politecnica de Catalunya, Spain; Proc. of the 2024 International Symposium on Electromagnetic Compatibility (EMC Europe 2024), Bruges, Belgium, September 2-5, 2024, IEEE.
7. ”Characterization of common mode chokes at high frequencies with simple measurements,” C. Dominguez-Palacios, J. Bernal, and M. M. Prats, IEEE Transactions on Power Electronics, Vol. 33, No. 5, pp. 3975-3987, May 2018.
8. “Contours detection in the images using energy characteristics of wavelet transform,” Lyasheva S.A., Medvedev M.V., Shleymovich M.P., Proceedings of SPIE, 2018, Vol. 10774, Optical Technologies in Telecommunications 2017, 1077417. DOI: 10.1117/12.2303644.
>>Download the PDF of this article, and check out the TechXchange for similar articles and videos
About the Author

Steve Taranovich
Freelance Technical Writer, Phoenix Information Communication LLC
Steve is a contributing editor to Electronic Design.
Author of the non-fiction “Guardians of the Right Stuff,” a true story of the Apollo program as told by NASA and Grumman Corp. engineers, an astronaut, and technicians.
Experienced Editor-In-Chief of EETimes/Planet Analog and Senior Technical Editor at EDN running the Analog and Power Management Design Centers from 2012 to 2019.
A demonstrated history in electronic circuit design and applications for 40 years, and nine years of technical writing and editing in industry. Skilled in Analog Electronics, Space-related Electronics, Audio, RF & Communications, Power Management, Electrical Engineering, and Integrated Circuits (IC).
1972 to 1988 worked as a circuit design engineer in audio (8 years) and microwave (8 years). Then was Corporate Account Manager/applications engineer for Burr-Brown from 1988 to 2000 when TI purchased Burr-Brown. Worked for TI from 2000 to 2011.
Strong media and communication professional with a BEEE from NYU Engineering in 1972 and an MSEE from Polytechnic University in 1989. Senior Lifetime member of IEEE. Former IEEE Long Island, NY Director of Educational Activities. Eta Kappa Nu EE honor society member since 1970.
Voice Your Opinion!
To join the conversation, and become an exclusive member of Electronic Design, create an account today!

Leaders relevant to this article:










