IEEE 802.3bt Moves PoE Into The Limelight
On February 13, 2013, millions of football fans around the world witnessed an ongoing power outage at Super Bowl XLVII that lasted 35 minutes. The lights, elevators, and concession stands all went dark.
This file type includes high resolution graphics and schematics when applicapable.
Yet the stadium’s Wi-Fi network kept rolling because the backup power system included uninterruptable power supplies (UPS) and Power over Ethernet (PoE) technology, which provides power to Wi-Fi access points (APs) over the same twisted-pair cabling that carries Ethernet data.
Related Articles
- PoE Targets More Applications With Higher-Power IEEE 802.3bt
- PoE Classification And Powering Options
- Understanding Power over Ethernet
PoE wasn’t there just for emergencies. The stadium’s IT system integrator chose to power the APs of the stadium’s Wi-Fi network with PoE all the time for economic reasons as well as to handle power interruptions. The Super Bowl blackout of 2013 was an excellent example of PoE’s resiliency.
On a daily basis, however, PoE’s primary advantage is anchored in simple economics. Delivering power and data over the same link saves installation costs compared to running separate power lines. And when wireless networks are reconfigured, the power goes right along with the data cables.
PoE’s Challenges
Despite growing acceptance as an economical power source for fairly high-volume applications such as APs, voice over Internet protocol (VoIP) phones, and network webcams, PoE’s penetration into other applications markets had been limited for years by the relatively modest amount of power that can be delivered to the device being powered.
The present PoE standard, IEEE 802.3at-2009 (also known as PoE+ because it superseded a previous version), provides up to 25.5 W to the end device from as far away as 100 m. The 25.5-W upper limit leaves out even higher-volume applications such as nurse call systems in hospitals (typically 50 W), retail point-of-sale systems (30 to 60 W), lighting controllers and other building management applications (many around 50 W), industrial motor control systems (>30 W), and hotel and other hospitality applications.
The breadth of potential applications is almost as wide as the unprecedented reach of Ethernet itself. The high-reliability, EMC-hardened (electromagnetic compatibility) Ethernet that is being developed for automotive applications, for example, could supply power as well as data to vehicle subsystems, saving automakers the cost of assembling and installing cumbersome (and expensive) wiring harnesses while reducing weight and increasing fuel economy.
Boosting Power
Even before today’s IEEE 802.3at standard was ratified, it was clear that the technology had quite a bit of headroom in terms of the power that could be delivered to the end device. The most obvious clue was the fact that the standard allows power delivery over only two pairs of the four twisted pairs found in CAT5/6 RJ-45 Ethernet cable.
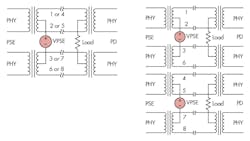
The powered device can receive power from either the two spare pairs (wires 4-5 and 7-8) or the two data pairs (1-2 and 3-6). Note that the terms “data” and “spare” relate to 100BASE-TX. In 1000BASE-T or faster physical layers (PHYs), all pairs are data pairs. Moving to a four-pair solution has the additional advantage of increasing PoE’s power efficiency. Although the actual efficiency advantage is load dependent, fairly straightforward calculations show that a four-pair solution reduces channel power loss by at least half compared to two-pair PoE.
The IEEE 802.3bt Task Force was formed recently to modify the standard so it takes greater advantage of PoE’s inherent capabilities. A four-pair solution is the cornerstone of these enhancements, and the value of the standard will, as always, lie in how it ensures interoperability.
The Ethernet Alliance, a global consortium dedicated to the advance of Ethernet technologies, has concurrently tasked its PoE subcommittee with helping to build a broad consensus for achieving the IEEE’s goals of extending the power delivery and port-level resiliency capabilities of the standard.
In the meantime, available four-pair solutions provide a convenient bridge between potential applications and the standard being developed, IEEE P802.3bt. The proprietary systems afford various levels of compatibility with the present standard and use different techniques and protocols to inject the additional power. In two-pair solutions, power is injected on either pairs 1-2, 3-6 or pairs 4-5, 7-8. In the four-pair solution, power can be injected on both the 1-2, 3-6 and 4-5, 7-8 pairs. All pairs are powered (see the figure).
New Applications
As a practical matter, safety standards and regulations limit the amount of power that can be made available via PoE at the power-sourcing device to about 100 W. Channel losses may reduce that to 75 W at the device being powered. Within that new range, however, lie a large number of potential applications.
Nurse call systems in hospitals and nursing homes will have more flexibility in configuring and moving nursing stations to better accommodate the circumstances that occur on an almost daily basis. Like Super Bowl XLVII, PoE power will also provide greater resiliency and redundancy for both emergency power and communications.
Today’s point-of-sale (PoS) applications typically require more than 25 W because a GUI and a viewing screen is required, but higher power levels will be satisfactory. Retail establishments can reap the additional benefit by using more mobile, handheld “cash registers” to provide greater convenience for shoppers and, potentially, more sales.
Building management applications are already emerging using the “smart power” concept that enables more granular control of lighting and HVAC by providing a data link between the power source (such as a lighting fixture) and sensors and/or a control center. PoE is a natural fit for some of these applications. LED lighting, which is currently powered with only 40 to 50 V (PoE supplies 44 to 57 V), is another potential high-volume application.
Applications in the hospitality sector are also likely candidates. For example, a PoE-powered end device could be installed in every room that would supply devices such as a Wi-Fi AP (about 6 to 10 W) as well as other devices such as an IP phone, USB charger, task light, or clock. In these applications, power forwarding comes into play. Using Ethernet’s Link Layer Discovery Protocol (LLDP), the devices can negotiate how much power each device needs—a power budget—on a fairly granular level.
PoE also can power computing devices with modest power requirements that are most often used as Internet connections instead of USB by periodically plugging them into a wired Ethernet network. And, computing and the Internet immediately suggest PoE applications in the Internet of Things.
The ubiquity of sensors will extend the utilization of APs powered by PoE and applications such as security card readers for access control, security cameras, and residential smart-home systems. In fact, several thin-client manufacturers already offer models powered with proprietary solutions consuming around 50 W.
Conclusion
Ethernet, one of the world’s most pervasive data communications standards, recently celebrated it’s 40th anniversary. In the hyperactive world of data transmission technology, 40 years can be an eternity, and most standards would be well past their prime. But thanks to Ethernet’s robust technology DNA, it is as young and restless as ever.
The secret to Ethernet’s technology DNA lies in the focus of the IEEE 802.3 Ethernet working group on market-driven problems and its focus on promotion and interoperability by industry organizations such as the Ethernet Alliance.
PoE is one of the family of Ethernet technologies that have reinvented and renewed themselves to keep up with the times. The pending move to a four-pair system of power injection will provide as much as three times the power to the end device that is now possible under the standard, opening new applications and providing more installation flexibility to existing applications. The four-pair system will also be more power efficient than the present two-pair system and, given its ability to control building systems with more granularity, increase the overall power efficiency of a building or campus.
About the Author
Jonathan Seckler
Marketing Chair
Jonathan Seckler is the marketing chair of the PoE Subcommittee within the Ethernet Alliance and director of product marketing for Dell Networking. Before joining Dell, he was the product line management leader for Advanced Micro Devices’ Low Power Client Platform, where he launched AMD’s first system-on-a-chip, the AMD E-series APU. He can be reached at [email protected].
Voice Your Opinion!
To join the conversation, and become an exclusive member of Electronic Design, create an account today!

Leaders relevant to this article:




