Work Through All Your Choices Before Making Your Efficiency Tradeoffs
Always a critical element of any design, power management is particularly complex and difficult because we must count every microamp to extend battery life or minimize heat. Sometimes being a design engineer feels like walking a tightrope. We solve by iteration, revisit the various operating modes, redefine the conditions, and balance tradeoffs with application needs (see “Design For Power Efficiency Like A Symphony Conductor”).
The universal challenge of circuit design, though sometimes it’s a curse, is the need to reduce noise and ripple on power supplies with minimal components. This is at the heart of power-supply efficiency. It can be an elusive target and even appear nonsensical to the inexperienced. It’s a role where every seemingly tiny change will have an impact.1
Minor Changes, Major Effect
We’ve seen smart power designers move an inductor an eighth of an inch and rotate it 90° on a board, increasing power efficiency by 20%. This is where power decoupling capacitors and the input source impedance or resistance are critical.2 We’ve also seen inexperienced designers try to save pennies and lose energy as heat when inferior capacitors are substituted with a higher equivalent series resistance (ESR).
Related Articles
• Design For Power Efficiency Like A Symphony Conductor
• Turn Off Vampire Power To Save Money And Electronics
Conversely, adding series inductors, resistors, and ferrite beads to power-supply decoupling capacitors to make them into low-pass filters can increase their effectiveness. This technique helps when the application has a known sensitive bandwidth requirement. We can optimize the noise rejection and reduce decoupling capacitance size by understanding the bandwidth needs of the application.3 Let’s take a closer look at some of the design challenges and tradeoffs available to us and how we can negotiate through each one.4
Reducing Ripple
Switching power supplies have output ripple, and filtering can reduce it. Designers also can reduce ripple by using multiple time-interleaved switchers. The most common approach employs two-phase or three-phase devices. Summing two or three synchronous ripple trains reduces the ripple. Yes, this is good, but there’s a tradeoff with component count: typically two or three smaller inductors are necessary (one for each phase).5
Another major consideration is the ripple allowed on the voltage. In GSM cell phones, the power pulses occur at 217 Hz and its harmonics. The battery’s internal impedance changes with the current drawn, making a decoupling capacitor across the battery important. How much capacitance is needed? There is no simple answer. Power decoupling optimization becomes an iterative process. Board layout, capacitor size, and dielectrics have large effects on system complexity. Moreover, making the power as clean and necessary without over-cleaning could easily require additional power decoupling capacitors or capacitance.
Maximizing Current Use For Multiple Circuits
Suppose we have two sets of digital circuits that draw similar amounts of current. The circuits have few inputs and outputs and can run on about 2.5 V, but the power supply is 5 V. We can use a buck switching supply and make 2.5 V with a little heat loss. How about stacking the circuits on top of each other? Circuit 1 operates from ground to 2.5 V, and circuit 2 operates between 2.5 V and 5 V.
In effect, we’re using the current twice. The power dissipated in circuits 1 and 2 remains the same, and no buck converter produces extra heat. There is, however, a downside because the voltages going in and out of the circuits need to be translated up and down. Compared to the buck converter, translating a few signals is less complex, uses less power, and produces less heat.
Switching Supplies
Gyrators transform capacitance into inductance. While they can’t store energy like a real inductor in a switching power supply, they are handy to use as low-pass power filters. Switching supplies can utilize tapped inductors, autotransformers, and actual transformers with multiple windings for isolation. The most efficient supplies are those that are matched to their loads. Knowing the system application enables designers to regulate the master supplies and allow sub-supplies to operate open-loop.6
Dissipating Power And Reducing Voltage
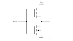
Complementary metal oxide semiconductor (CMOS) logic circuits dissipate power in two ways: first by leakage, and second by charging and discharging capacitance when switching (Fig. 1).
1. CMOS logic circuits dissipate power in two ways: by leakage and by charging and discharging capacitance when switching.
Leakage tends to depend on the IC process. As the transistor size shrinks, the power voltage is reduced and the insulation layers become thinner. Leakage current, whether reverse-biased junction or sub-threshold current, is generally lost power as it does not contribute to the job at hand. Operating or dynamic power is typically orders of magnitude larger than the leakage current (Fig. 2).
2. Near the VDD power rail and near ground, only one of the complementary output transistors is conducting, shown by the low current. About halfway between VDD and ground, both transistors are conducting and wasting current. Data are for the MAX5391 digital potentiometer.
There is more to say about switching: the higher the switching frequency, the higher the power loss. The biggest power savings with switching comes from reducing the operating voltage. Dividing the voltage by two with the same capacitance and frequency reduces the power consumption by a factor of four. This is explained by P = CV2f, where the terms are power, capacitance, voltage, and frequency. All the terms are linear except voltage, which is quadratic and, therefore, why it has such a big effect.
Voltage reduction brings other tradeoffs. A lower voltage swing makes noise immunity problematic. If designers choose half-voltage clocks, they must translate the voltage up and down. The MOS transistors become slower because the threshold voltages cannot scale with the voltage. This can be a major issue if you need to avoid disproportionate leakage current.
Reducing Capacitance
Reducing capacitance in a design has always been a good way to improve performance and reduce power. There are two categories of capacitance: parasitic and unavoidable.7,8 Since the product of capacitance and frequency is what counts, we can trade off one for the other. We always reduce parasitic capacitance as much as possible. For unavoidable capacitance, we try to reduce the frequency.9
One effective method of reducing switching frequency is to stop the clock with clock gating. This eliminates any switching and removes power to circuits that aren’t necessary for current function. Some processors sleep with greatly reduced clock frequencies. Instead of megahertz clock rates, they may use a 32-kHz clock. A 32-kHz crystal is a common watch frequency. This way, the processor can keep accurate track of time and wake up at precise intervals.
Standby And Sleep Modes
Understanding the application’s ratio of operation to standby or sleep modes is essential in optimizing power consumption. The IC fabrication process greatly impacts power consumption in some subtle ways. Engineers started thinking about this some years ago when battery-operated devices such as residential natural gas and water meters and smoke and carbon-monoxide alarms had to last 10 years between battery changes.
Another striking example is a microwave oven with a clock. The clock is powered 24/7 and the microwave is used a few minutes a day, so the cost of power over a year may be equal for the oven and the clock. We call the unseen power used during sleep or when operation is seemingly shut down “vampire power” (see “Turn Off Vampire Power To Save Your Money And Electronics”).
Another hypothetical example illustrates the issue. We have two IC processes. Scenario A draws 15 mA operating and 50 nA in sleep. We drop the operating current for scenario B to 6 mA, but the leakage goes up to 250 nA. This leakage in scenario B will severely impact a battery-powered application where the device must sleep more than 99.99% of the time so the battery will last for years. A device that’s awake one second a day is one part in 86,400.
Comparing ampere seconds in a day for scenario A, we have a total of 0.01932 A seconds (0.015 A seconds operating, 0.00432 A seconds sleeping). With scenario B, it is 0.02760 A seconds (0.006 A seconds operating and 0.0216 A seconds sleeping). Scenario B with the new and improved lower operating current performs worse! This example highlights the need to understand the application and interaction of the IC fabrication process.
How can we reduce standby power in a consumer appliance that needs a remote control? There are numerous possible answers. If a power indicator is necessary for customer confidence, then we can make the LED blink for a few microseconds out of seconds. It will still be readily visible because the human’s persistence of vision will stretch the blink so it will be easy to see.
Another option to reduce standby power is to make the infrared radiation (IR) receiver sleep most of the time. The remote can be on for two seconds when the “ON” button is pressed. The “on” IR code will be modulated with repeated “ON” codes that are unique for that kind of appliance. The appliance, including the microprocessor for recognizing the IR code, will be off as much as possible.
When the IR receiver is awake, it has a band-pass filter to allow the IR modulation to pass, and its output is rectified. The receiver then can ignore sunlight and IR remotes at other frequencies. When the IR modulation is detected, the microprocessor will turn on to see if the IR code matches the code for this appliance. It can use the remainder of the two-second “ON” command to do this.
If the code matches, the appliance wakes up. If the code does not match, the appliance goes back to sleep. This approach reduces the circuit’s operating power in standby mode and uses the band-passed, rectified “ON” signal to minimize the chance of false wakeup calls.
There’s another importance situation to consider here. What happens if the input ac power is lost? Will the appliance stay off until someone uses the remote to turn it on? Here we need to consider the safety of the appliance, and perhaps the operating environment too. For example, we would not want an oven, hair dryer, or heating appliance to turn on without notice and start a fire.
Managing Modes To Extend Battery Life
Knowing the exact behavior of the power-supply load allows us to customize mode changes to match battery condition. Circuits can be classified according to their ability to accept swings in voltage or regulation tolerance:10
• Analog circuits with strict regulation tolerance requirements: analog-to-digital converters (ADCs), digital-to-analog converters (DACs), RF power amplifiers
• Analog circuits with wider regulation tolerance: op amps and circuits with good power-supply rejection ratios (PSRRs)
• Digital circuits with tight voltage tolerances: input and output (I/O) and external interface
• Digital circuits with medium-strict voltage tolerances: CPU and memory
• Digital circuits with loose voltage tolerances: random logic and state machines
A cell phone is a timely example of how mode changes can extend battery life. When the battery is near full charge, a switch can supply the battery voltage directly to some circuits and use a buck converter for other circuits. As the battery voltage drops, the power from the buck converter can be switched to receive battery power directly. Further, as the battery voltage continues to drop, the voltage may need a boost converter to maximize the battery life. From this scenario we can appreciate how understanding the power load and its sensitivities can be an advantage for extending battery life.
A modern smart phone can operate in different modes, each of which has its own power issues. The key to successful power efficiency lies in understanding the application well. Under high power it can operate as a phone in full-duplex mode, simultaneously transmitting and receiving. The transmission probably appears continuous to the user. An engineer, however, might see either pulsating power as the system transmits in a time slot (time division multiple access, or TDMA, which was early GSM) or more continuous power consumption in a direct sequence spread-spectrum system (code division multiple access, or CDMA).11
Operating modes also change to accommodate specific operating configurations. A smart phone may have a dozen or more operational modes such as airplane mode (no radio transmission); Wi-Fi-only transmission; MP3 player; turn-by-turn directions with display on, off, or dim; gaming mode; text only; camera; Skype; e-book reader; and thousands of apps. In these modes lie opportunities to extend battery life by turning off unneeded circuitry.
Conclusion
Knowledge is power. Detailed knowledge of the application is the most powerful tool at the designer’s disposal. It dictates the boundaries of the issue but still allows the clever engineer to think creatively, decrease the size and cost, increase battery life, and ultimately provide a pleasant operating experience for the user.
This may all seem obvious, yet the task and effort to optimize power efficiency aren’t as straightforward as they seem. With each challenge, and most certainly with each decision, power designers must balance tradeoffs. The interaction of even small changes on other seemingly unrelated circuits requires constant vigilance. So our design process must be iterative, changing small things to optimize the system’s overall power consumption. This is also why a good experienced power designer can work magic in extending battery life.
References
1. Maxim Integrated tutorial 660, “Regulator Topologies for Battery-Powered Systems,” www.maximintegrated.com/AN660.
2. Maxim Integrated application note 3166, “Source Resistance: The Efficiency Killer in DC-DC Converter Circuits,” www.maximintegrated.com/AN3166.
3. Maxim Integrated application note 986, “Input and Output Noise in Buck Converters Explained,”
www.maximintegrated.com/AN986.
4. Maxim Integrated tutorial 2031, “DC-DC Converter Tutorial,” www.maximintegrated.com/AN2031.
5. Maxim Integrated application note 4596, “Improve Two-Phase Buck Converter Performance with a Coupled-Choke Topology,” www.maximintegrated.com/AN4596.
6. Maxim Integrated application note 716, “Proper Layout and Component Selection Controls EMI,” www.maximintegrated.com/AN716.
7. Maxim Integrated application note 842, “Mathcad Calculates Input Capacitor for Step-Down Buck Regulator,” www.maximintegrated.com/AN842.
8. For a discussion of inductor and capacitor losses, see Maxim Integrated application note4266, “An Efficiency Primer for Switch-Mode, DC-DC Converter Power Supplies,” www.maximintegrated.com/AN4266.
9. For a discussion of good basics, see Maxim Integrated tutorial 1897, “Building a DC-DC Power Supply that Works,”www.maximintegrated.com/AN1897.
10. Maxim Integrated application note 3174, “Selecting Power Management for Cellular Handset,” www.maximintegrated.com/AN3174.
11. Maxim Integrated application note 3434, “RF Power Reduction for CDMA/WCDMA Cellular Phones,” www.maximintegrated.com/AN3434.
Bill Laumeister is an engineer in strategic applications with the Precision Control Group at Maxim Integrated. He works with customers who use DACs, digital potentiometers, and voltage references. He has more than 30 years of experience and holds several patents.
About the Author
Bill Laumeister
Bill Laumeister is an engineer in strategic applications at Maxim Integrated Products. He works with customers who use Maxim’s analog and digital integrated circuits. He has more than 30 years of experience and holds several patents.
Voice Your Opinion!
To join the conversation, and become an exclusive member of Electronic Design, create an account today!

Leaders relevant to this article:


