Low Power Has Its Limits—Here’s Why

Sponsored by Texas Instruments: You can go only so low before unexpected factors make you stop. Low-quiescent-current ICs developed by TI offer a way to get longer battery life before reaching those thresholds.
Dec. 20, 2021
3 min read

Members can download this article in PDF format.

All new electronic products share one design objective: low-power operation. Many of these products operate on batteries, so it makes sense to achieve the lowest possible current draw. This in turn will provide more battery life, fewer charges, and an extended operational period. For big factory IoT networks, it can save money due to a reduction in maintenance.

Wearables like earbuds, smartwatches, and medical monitors also require long battery life, as do all sorts of electric meters and field sensors. If the device spends most of its life in sleep mode, it needs special design considerations.

As it turns out, the main limiting factor is something called quiescent current (IQ). Understanding IQ and how to avoid its problems is explained here.

Defining IQ

IQ has several definitions. A good one to start with is the current required to keep the IC or circuit alive with minimum functionality until it’s called to be turned on. Always-on devices like remote keyless entry systems on cars are representative of this need. You don’t want it to drain your battery while the car is idle, but you want it to be responsive when you’re ready to drive. Other definitions that help clarify IQ include:

  • The overhead current employed by the IC to stay alive with no load or switching operations.
  • Current derived from the input and output pins. A buck converter derives current form the input, while boost and buck-boost converters take from both the input and output.
  • IQ usually has three main parts: shutdown current of the device, any non-switching IQ and switching IQ.
  • Note: IQ is not zero input current.
  • IQ therefore has different meanings depending upon your IC and how it’s used. You will need to define it for your use-case.
  • Efficiency varies widely with load current; the best efficiency is usually with heavy loads.
  • Besides the current to keep critical circuits alive, additions to IQ come from noise, both switching and analog and leakage from capacitors, and other components with even a minuscule amount across a dirty PCB.
  • Obviously, the lower IQ, the longer battery life. But it’s not as simple as that.

If you need to bring yourself up to speed on IQ, address the vendor of the devices you plan to use. For example, Texas Instruments offers a variety of resources, both print and video training.

One Solution

The overall battery-life result is the function of the whole power-management portion of the product. It usually starts with an MCU that typically defines several shutdown modes, such as sleep, hibernate, etc., and how much time the MCU stays in each mode. The power system also consists of one or more regulators or dc-dc converters. These devices require careful selection.

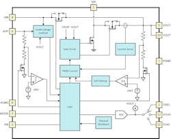
Texas Instruments offers several ICs that can help reach the lowest IQ and best performance. For instance, the TPS61094 is one example that features a boost converter with a buck mode (see figure). Low-dropout regulators (LDOs) also are used. With multiple modes available, it’s easier to optimize the circuit to the application. Seek out the lowest IQ for each that you use—no more than a few hundred nanoamperes. The pins on the IC to concentrate on are IN, OUT, GND, and EN. Verify from the datasheet if there are any others.

Finally, the total IQ is really the sum of two or more IQs from multiple chips. Some IC vendors have a formula to achieve this summation.