How to Overcome the Limits of Boost Converters
Members can download this article in PDF format.
What you'll learn:
- The impact of voltage gain on boost converters.
- The roles played by an inductor's load resistance and DCR.
Boost converters are used to generate high output voltages from low input voltages. Such a voltage conversion can easily be done with a switching regulator that has a boost topology. However, the voltage gain has a natural limit: The voltage gain is the ratio of output voltage to input voltage. If 24 V is generated from 12 V, then the voltage gain is 2.
As an example, let’s look at an industrial application in which a voltage of 300 V should be generated with a 160-mA output current from a 24-V supply voltage.
The voltage gain can also be expressed in terms of the duty cycle:
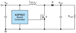
The main parameters of a boost converter (Fig. 1) are the duty cycle and the voltage gain. The duty cycle indicates the amount of time that the switch (S) is on in each cycle. The voltage gain describes the factor by which the output voltage exceeds the input voltage.
To generate a high voltage, the duty cycle increases to values close to 1, but they never reach 1.
By selecting a boost converter with a high maximum duty cycle, it may seem possible to generate a high output voltage from a low supply voltage. However, there’s more to it than that. Besides the duty-cycle limits, the maximum possible voltage gain also must be considered.
The voltage gain describes the maximum possible output voltage of a boost converter in relation to the available input voltage. This limitation of the boost converter can be thought of in the following way: With the boost, all energy transferred from the input side to the output side must first be temporarily stored. During the on time—i.e., when the switch (S) in Figure 1 is on—energy is temporarily stored in the inductor (L). At this time, the diode (D) blocks the current flow.
During the off time, the temporarily stored energy is removed from the inductor (L). Both the charging and the discharging of the inductor must follow the rules of the inductance. The current flow in each case is determined by the inductance value of the inductor and the respective voltage difference across the inductor. The voltage across the inductor can simply be described as VIN during the charging time and VOUT minus VIN during the off time.
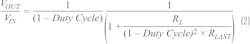
With a high-voltage gain, the off time may not be long enough for the temporarily stored energy to be recovered from the inductor. Thus, the simplified formula that describes the duty cycle in Equation 1 doesn’t account for this limitation. The formula for the maximum voltage gain can only be recognized if the dc resistance (DCR) of the inductor and the load resistance also are taken into account:
The ratio between RL and RLAST therefore affects the ratio between the possible input and output voltages and, thus, the voltage gain of a boost converter. Figure 2 shows the example with a 24-V input voltage and a 300-V output voltage at 160 mA for a load resistance of 1.8 kΩ and an inductor RL—that is, DCR—of 3 Ω.
In this example, Figure 2 illustrates that it’s possible to achieve a voltage gain of approximately 12.5 (derived using Equation 2). However, if the load resistance is lowered—i.e., the output current is increased—or the DCR (RL) of the inductor is increased—i.e., the inductor size is decreased—it will no longer be possible to produce the required voltage gain.
Figure 3 shows the curve of the voltage gain when the ratio between load resistance and inductor resistance is 300. Here, an RL of 6 Ω and a load resistance of 1.8 kΩ were selected.
In Figure 3, it’s evident that the maximum voltage gain is only 9. Thus, the conversion of the input voltage of 24 to 300 V isn’t possible. The selected DCR, or RL, of the inductor is too high.
In conclusion, the design of a circuit with a boost topology must always include determination of the maximum possible voltage gain. Interestingly, this depends on the load resistance—i.e., the output current—and the DCR of the inductor. If it turns out that a required voltage gain doesn’t seem possible, a larger inductor with a lower DCR can be selected.





