A Timer to Remember: Now and Then
This article is part of the Now and Then series.
Check out the Quick Poll at the end of article and other Quick Polls on Electronic Design.
What you’ll learn:
- What is an NE555?
- Why was the NE55 so important?
- Why are we still using it?
Normally I cover a new product or technology in my Lab Bench section. However, since this is the last one to appear in a physical print issue, I thought I would look back at a technology that had a major impact on the electronics industry. I’m sure others will have their favorites, but one advantage of having an article series like this one is I get to make the final decision.
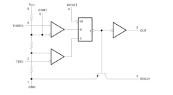
My choice is the NE555 monostable multivibrator, often referred to as simply the 555 (Fig. 1). It has its own Wikipedia page and you can buy it from a number of sources. It comes in a variety of form factors (Fig. 2).
One of our technology editors, Cabe Atwell, wrote a book about it: Essential 555 IC: Design, Configure, and Create Clever Circuits. It’s probably the most often used device in our venerable Ideas for Design series. Cabe’s article, "The Origin, Explanation, and Applications of Triple-Five Timers," provides a more detailed description of the 555.
What’s so neat about the NE555 is that only a few external discrete components can make this little device do all sorts of things, from providing triggering to a clock. It can even be used in inductor-less dc-dc converters.
Hans Camenzind designed the first one for Signetics back in 1971. Since then, we’ve had CMOS and bipolar versions. The 556 is a pair of 555 timers.
What stands out is the 555’s longevity. It’s equally applicable now even in the age of microcontrollers that fit in a similar package—though MCUs can do so much more, they require software to work. These days, a 32-bit Arm Cortex-M0+ might be the device of choice for timing applications that could be handled by a 555. Hey, the microcontroller could even run a machine-learning model while it generates a clock.
The 555 is one of those analog devices that’s both useful and easy to understand. Hopefully it will keep the interest of a budding engineer or two who opt to take up analog design because we use these devices. Analog design crops up with power supplies and is really the basis for memories, micros, and more. However, we turn these into digital devices that put them into the realm of programmers. Not that I have anything against programmers, as I went to the dark, uhh digital, side long ago after playing with a 555 when they first came out (yes, I have been around that long).
Read more articles in the Series: Electronics History and Then and Now.
About the Author
William G. Wong
Senior Content Director - Electronic Design and Microwaves & RF
I am Editor of Electronic Design focusing on embedded, software, and systems. As Senior Content Director, I also manage Microwaves & RF and I work with a great team of editors to provide engineers, programmers, developers and technical managers with interesting and useful articles and videos on a regular basis. Check out our free newsletters to see the latest content.
You can send press releases for new products for possible coverage on the website. I am also interested in receiving contributed articles for publishing on our website. Use our template and send to me along with a signed release form.
Check out my blog, AltEmbedded on Electronic Design, as well as his latest articles on this site that are listed below.
You can visit my social media via these links:
- AltEmbedded on Electronic Design
- Bill Wong on Facebook
- @AltEmbedded on Twitter
- Bill Wong on LinkedIn
I earned a Bachelor of Electrical Engineering at the Georgia Institute of Technology and a Masters in Computer Science from Rutgers University. I still do a bit of programming using everything from C and C++ to Rust and Ada/SPARK. I do a bit of PHP programming for Drupal websites. I have posted a few Drupal modules.
I still get a hand on software and electronic hardware. Some of this can be found on our Kit Close-Up video series. You can also see me on many of our TechXchange Talk videos. I am interested in a range of projects from robotics to artificial intelligence.



