Power Module Adds Matched Driver to 1200-V/160-A Bidirectional Switch
You’re undoubtedly familiar with power-switching devices such as the venerable and still very viable insulated-gate bipolar transistor (IGBT). An enhanced variation is the B-TRAN bipolar junction transistor from Ideal Power Inc. (Austin, Texas). It’s a four-quadrant IGBT-like power switch with ultra-low forward voltage and low switching losses that can be used in both unidirectional and bidirectional switching applications (Fig. 1).
The company maintains that its symmetric bidirectional operation reduces the number of components by 75% when compared to a conventional bidirectional switch using IGBTs and diodes.
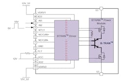
Still, every switching power device needs a driver, so Ideal Power has introduced a more-integrated enhancement of the B-TRAN that responds to that reality. Its 1200-V/160A SymCool IQ is an intelligent power module (IPM) with internal driver for the B-TRAN unit, simplifying system design-in (Fig. 2).
Applications include solid-state circuit breakers, battery-disconnect switches, Vienna rectifiers (if you’re not familiar with that term, they’re unidirectional, three-phase, three-switch, three-level PWM rectifiers), T-type inverters, and matrix converters.
This module enhancement not only provides the required drive, but also adds overcurrent protection, undervoltage protection, temperature sensing, and a dedicated fault-indicator (FLT) pin. In addition to the low losses, the module features low parasitic inductance and capacitance, supporting switching up to 35 kHz. Furthermore, the module’s package, at approximately 120 × 70 × 28 mm, reduces the thermal resistance while increasing its power density (Fig. 3).
Datasheets are available to support the existing B-TRAN device and the just-announced SymCool IQ module. In addition, there’s an informative white paper, “B-TRAN – Device Structure, Performance and Applications,” which provides insight into the B-TRAN device and its claimed benefits. Another paper, “B-TRAN™ Applications and Benefits,” offers some market perspective along with hard and soft numbers.
About the Author

Bill Schweber
Contributing Editor
Bill Schweber is an electronics engineer who has written three textbooks on electronic communications systems, as well as hundreds of technical articles, opinion columns, and product features. In past roles, he worked as a technical website manager for multiple topic-specific sites for EE Times, as well as both the Executive Editor and Analog Editor at EDN.
At Analog Devices Inc., Bill was in marketing communications (public relations). As a result, he has been on both sides of the technical PR function, presenting company products, stories, and messages to the media and also as the recipient of these.
Prior to the MarCom role at Analog, Bill was associate editor of their respected technical journal and worked in their product marketing and applications engineering groups. Before those roles, he was at Instron Corp., doing hands-on analog- and power-circuit design and systems integration for materials-testing machine controls.
Bill has an MSEE (Univ. of Mass) and BSEE (Columbia Univ.), is a Registered Professional Engineer, and holds an Advanced Class amateur radio license. He has also planned, written, and presented online courses on a variety of engineering topics, including MOSFET basics, ADC selection, and driving LEDs.



